<samp id="1smiv"></samp>
  • <bdo id="1smiv"><fieldset id="1smiv"></fieldset></bdo>
  • <bdo id="1smiv"><fieldset id="1smiv"></fieldset></bdo>
  • <ol id="1smiv"></ol>
    丝袜.制服.丝袜.亚洲.日韩.中文

    HJ型化工離心泵

    時間:2020-06-28   訪問量:8298
    HJ型化工離心泵

    HJ型化工離心堿泵實拍視頻:

    一、概述

      HJ化工離心泵是我公司在IH泵的基礎上升級創新而成的標準化工流程泵。該泵為單級單吸懸臂式結構,其性能參數符合GB/T5662(等效于IS02858)標準。在設計上,采用了先進的水力模型,具有較高的效率,比IH泵提高了5%,是節能型產品。在結構設計上借鑒了美國ANSI標準,加粗了軸徑、縮短了懸臂比,消除了IH泵經常斷軸的弊病,提高了運行穩定性,降低了維修費用和運行成本。公司參照了美國API682標準研制出的171系列機械密封已成功地使用于純堿、氯堿、制鹽、磷化工、冶金、環保等行業及易結晶、多顆粒的工況。HJ化工離心泵泵目前己有100多個規格,基本覆蓋2.5MPa壓力、200℃溫度下的所有化工流程應用。是與CZ、ZA并列的國內應用廣泛的三大化工離心泵系列之一。 

    二、與IH泵相比,HJ化工離心泵結構具有以下特點: 

      1、縮短了葉輪的懸臂,加粗了軸的直徑;

      2、非對稱截面的蝸殼、泵殼無口環;

      3、采用三只進口軸承;

      4、裝有與國外先進的雙端面機械密封或填料密封相似的新型密封; 

      由于以上結構使該泵有以下優越性: 

      1、可以輸送高粘度或固體的介質,這時泵的效率較IH泵高;

      2、非對稱截面蝸殼減少了流體的沖擊損失,縮短了泵殼尺寸;

      3、增加軸的強度,減少了轉子的撓度,因而運行穩定,密封壽命長;

      4、葉輪螺母與葉輪做成一體,改善了泵的入口條件,提高泵的抗汽蝕性能;

      5、先進的軸封形式,使密封效果更佳,減少了泵的泄漏;

      6、可以不拆卸泵殼和葉輪的情況下調節泵的間隙,減少了維修時間,節省維修成本;

    HJ.jpg

    1-20_副本.jpg

    三、性能參數表 

    型號/性能參數

    轉速r/min

    流量m3/h

    揚程m

    電機功率KW

    比重  R=1.00

    比重  R=1.35

    比重  R=1.84

    HJ40-25-125

    2900

    6

    20

    Y802-2/1.1

    Y90S-2/1.5

    Y90L-2/2.2

    HJ40-25-125A

    2900

    5.2

    15

    Y801-2/0.75

    Y802-2/1.1

    Y90S-2/1.5

    HJ40-25-160

    2900

    6

    30

    Y90L-2/2.2

    Y100L-2/3

    Y112M-2/4

    HJ40-25-160A

    2900

    5.2

    26

    Y90S-2/1.5

    Y90L-2/2.2

    Y100L-2/3

    HJ50-32-125

    1450

    6.3

    5

    Y801-4/0.55

    Y801-4/0.55

    Y801-4/0.55

    HJ50-32-125

    2900

    12.5

    20

    Y90S-2/1.5

    Y90L-2/2.2

    Y100L-2/3

    HJ50-32-125A

    2900

    11.3

    16.2

    Y90S-2/1.5

    Y90S-2/1.5

    Y90L-2/2.2

    HJ50-32-160

    1450

    6.3

    8

    Y801-4/0.55

    Y801-4/0.55

    Y802-4/0.75

    HJ50-32-160

    2900

    12.5

    32

    Y100L-2/3

    Y112M-2/4

    Y132S1-2/5.5

    HJ50-32-160A

    2900

    11.2

    26

    Y90L-2/2.2

    Y100L-2/3

    Y112M-2/4

    HJ50-32-200

    1450

    6.3

    12.5

    Y802-4/0.75

    Y90S-4/1.1

    Y90L-4/1.5

    HJ50-32-200

    2900

    12.5

    50

    Y132S1-2/5.5

    Y132S2-2/7.5

    Y160M1-2/11

    HJ65-50-125

    1450

    12.5

    5

    Y801-4/0.55

    Y801-4/0.55

    Y802-4/0.75

    HJ65-50-125

    2900

    25

    20

    Y100L-2/3

    Y112M-2/4

    Y132S1-2/5.5

    HJ65-50-125A

    2900

    22.5

    16

    Y90L-2/2.2

    Y100L-2/3

    Y112M-2/4

    HJ65-50-160

    1450

    12.5

    8

    Y802-4/0.75

    Y90S-4/1.1

    Y90S-4/1.1

    HJ65-50-160

    2900

    25

    32

    Y112M-2/4

    Y132S1-2/5.5

    Y132S2-2/7.5

    HJ65-50-160A

    2900

    22.5

    26

    Y100L-2/3

    Y112M-2/4

    Y132S1-2/5.5

    HJ65-40-200

    1450

    12.5

    12.5

    Y90S-4/1.1

    Y90L-4/1.5

    Y100L-4/2.2

    HJ65-40-200

    2900

    25

    50

    Y132S2-2/7.5

    Y160M1-2/11

    Y160M2-2/15

    HJ80-65-125

    1450

    25

    5

    Y802-4/0.75

    Y90S-4/1.1

    Y90S-4/1.1

    HJ80-65-125

    2900

    50

    20

    Y132S1-2/5.5

    Y132S1-2/5.5

    Y132S2-2/7.5

    HJ80-65-125A

    2900

    46.5

    17.3

    Y112M-2/4

    Y132S1-2/5.5

    Y132S2-2/7.5

    HJ80-65-160

    1450

    25

    8

    Y90S-4/1.1

    Y90L-4/1.5

    Y100L1-4/2.2

    HJ80-65-160

    2900

    50

    32

    Y132S2-2/7.5

    Y160M1-2/11

    Y160M2-2/15

    HJ80-65-160A

    2900

    46

    28

    Y132S2-2/7.5

    Y160M1-2/11

    Y160M1-2/11

    HJ80-50-200

    1450

    25

    12.5

    Y100L1-4/2.2

    Y100L1-4/2.2

    Y100L2-4/3

    HJ80-50-200

    2900

    50

    50

    Y160M1-1/11

    Y160M2-2/15

    Y180M-2/22

    HJ100-80-125

    1450

    50

    5

    Y90L-4/1.5

    Y100L1-4/2.2

    Y100L2-4/3

    HJ100-80-125

    2900

    100

    20

    Y160M1-2/11

    Y160M2-2/15

    Y160L-2/18.5

    HJ100-80-125A

    2900

    93

    17.3

    Y132S2-2/7.5

    Y160M1-2/11

    Y160M2-2/15

    HJ100-80-160

    1450

    50

    8

    Y100L1-4/2.2

    Y100L2-4/3

    Y112M-4/4

    HJ100-80-160

    2900

    100

    32

    Y160M2-2/15

    Y160L-2/18.5

    Y200L1-2/30

    HJ100-80-160A

    2900

    93

    28

    Y160M1-2/11

    Y160M2-2/15

    Y160L-2/18.5

    HJ100-80-200

    1450

    75

    12.5

    Y112M-4/4

    Y132M-4/5.5

    Y132M-4/7.5

    HJ100-80-200

    2900

    150

    50

    Y200L1-2/30

    Y225M-2/45

    Y250M-2/55

    HJ100-65-200

    1450

    50

    12.5

    Y100L2-4/3

    Y112M-4/4

    Y132S-4/5.5

    HJ100-65-200

    2900

    100

    50

    Y180M-2/22

    Y200L1-2/30

    Y225M-2/45


    HJ125-80-200

    2900

    150

    50

    Y200L1-2/30

    Y225M-2/45

    Y250M-2/55

    HJ125-100-250

    1450

    100

    20

    Y160M-4/11

    Y160M-4/11

    Y160L-4/15

    HJ125-100-250

    2900

    200

    80

    Y280S-2/75

    Y280M-2/90

    Y315S-2/110

    HJ150-125-250

    1450

    200

    20

    Y180M-4/18.5

    Y180L-4/22

    Y200L-1/30

    HJ200-150-250

    1450

    300

    20

    Y200L-4/30

    Y225S-4/37

    Y225M-4/45

    HJ200-150-250

    1450

    400

    20

    Y200L-4/30

    Y225S-4/37

    Y225M-4/55

    四、產品實拍及使用現場

    IMG_2107.JPG


    20160103_134945.jpg


    20160103_134950.jpg


    QQMail_69.jpg


    20170915_104043.jpg


    20160505_082627.jpg


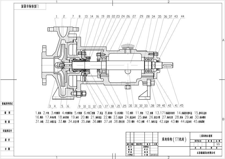
    IJ型堿泵結構示意圖(171).jpg


    20190401_075030571_iOS.jpg


    IMG_4190.JPG


    IMG_4198.JPG


    IMG_7678.JPG

    熱銷產品

    為您提供耐腐耐磨砂漿泵,工程塑料泵,蒸發循環泵等方面的專屬解決方案

    聯系我們

    聯系人:劉經理

    手機:15371560918

    電話:0523-84339996

    郵箱:sales@jsruicn.com

    地址:靖江市經濟開發區新橋園區

    Copyright ? 2017-2020 江蘇瑞誠泵業有限公司 All Rights Reserved. 備案號碼:蘇ICP備17024166號-2

    服務咨詢熱線

    15371560918

    提供完善的泵類解決方案

    在線咨詢

    點擊這里給我發消息 售前咨詢專員

    點擊這里給我發消息 售后服務專員

    在線咨詢

    免費通話

    24小時免費咨詢

    請輸入您的聯系電話,座機請加區號

    免費通話

    微信掃一掃

    微信聯系
    返回頂部